Σχετικά αρχεία
Πίνακας Ανίχνευσης Διαρροών Αερίων SEITRON, 2 εισόδων,2 επαφών εξόδου IP 30
- Κατασκευαστής: Seitron
- Κωδικός Προϊόντος: 12.59.01.01
- MPN: RGI 000 MBX2
- Διαθεσιμότητα: Κατόπιν παραγγελίας
- 140,39€
- Χωρίς ΦΠΑ: 113,21€
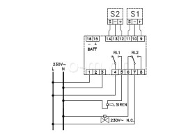
Πίνακας ανίχνευσης φυσικού αερίου , LPG, CO, 2 εισόδων, 2 επαφών εξόδου, ράγας, σχεδιασμένος για μικρούς σταθμούς παραγωγής. Παρέχει οπτικό και ακουστικό συναγερμό, μπουτόν reset και τεστ, 2 μεταγωγικές επαφές για έλεγχο, καθώς και είσοδο για μπαταρία 12 V (εφεδρία) .
- Τροφοδοσία : 230 V
- Έξοδος 1 (ηλεκτρονικό ρελέ) 4(2)A @ 250V~ SPDT
- Έξοδος 2 (ρελέ συναγερμού) 4(2)A @ 250V~ SPST
- Καθυστέρηση στο ρελέ EV ~15 δευτ.
- Θερμοκρασία λειτουργίας : 0°C έως +40°C
- Προστασία : IP 30
- Πιστοποιητικά : CE mark
- Διαστάσεις : 73 x 53 x 96 mm
- Συνεργαζόμενοι ανιχνευτές :SGIME1,SGIME1M, SG1GP1, SG1GP1M, SGAMET, SGAGPL

Ελληνικά
English 

